YN-100径向耐震压力表
产品分类: 普通耐震压力表
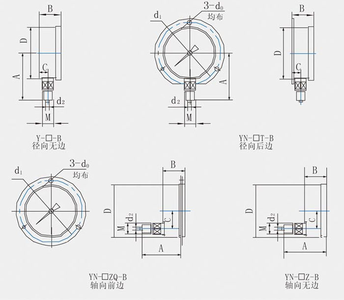
径向耐震压力表具有良好的耐震性能,特别适用于有机械强烈振动和介质压力剧烈脉动的情况下,测量无爆炸危险、不结晶、不凝固,以及对铜和铜合金无腐蚀作用的液体、气体或蒸汽的压力。径向耐震压力表指示稳定,读数清晰。广泛应用于重型机械、矿山、石油、化工、冶金、电力等部门
订购热线:15716188608

径向耐震压力表


![]()
径向耐震压力表具有良好的耐震性能,特别适用于有机械强烈振动和介质压力剧烈脉动的情况下,测量无爆炸危险、不结晶、不凝固,以及对铜和铜合金无腐蚀作用的液体、气体或蒸汽的压力。径向耐震压力表指示稳定,读数清晰。广泛应用于重型机械、矿山、石油、化工、冶金、电力等部门。 


AG奥林匹斯之门游戏1000倍·(中国区)官方网站
移动电话:15716188608
公司电话:0510-8518004505288518052885180528
公司传真:0510-88152298
地址:无锡市滨湖区太湖镇双新工业园区和风路571号
* 表示必填采购:YN-100径向耐震压力表
| * 联系人: | 请填写您的真实姓名 |
| * 手机号码: | 请填写您的联系电话 |
| 电子邮件: | |
| * 采购意向描述: | |
| 请填写采购的产品数量和产品描述,方便AG奥林匹斯之门游戏1000倍·(中国区)官方网站进行统一备货。 | |
| 验证码: |
|
相关资讯
| 我要评论: | |
| 内 容: |
(内容最多500个汉字,1000个字符) |
| 验证码: | 看不清?! |
奥林匹斯之门1000倍游戏产品中心Product center
联系奥林匹斯之门1000倍游戏
AG奥林匹斯之门游戏1000倍·(中国区)官方网站
移动电话:15716188608
公司电话:0510-85180045
公司传真:0510-88152298
公司地址:无锡市滨湖区太湖镇双新工业园区和风路571号









手机扫描二维码
共有-条评论【我要评论】